尊时凯龙人生就博
在线咨询
联系尊时凯龙人生就博 0851-28791820
网站首页
企业介绍
企业简介
历史沿革
企业文化
领导致辞
荣誉资质
企业视频
公司动态
公司新闻
行业资讯
技术动态
视频新闻
产品展示
智能型万能式断路器
塑料外壳式断路器
自动切换装置
成套设备
真空断路器
其他分类
主要业绩
营销网络
人才招聘
联系尊时凯龙人生就博
在线留言
联系地址
产品展示
智能型万能式断路器
塑料外壳式断路器
自动切换装置
成套设备
真空断路器
其他分类
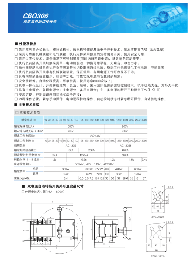
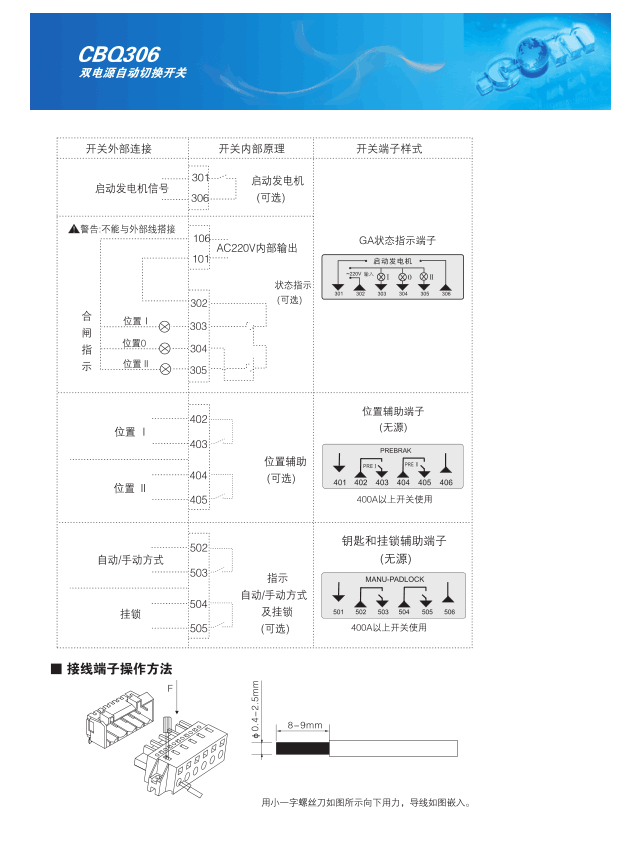
CBQ306系列双电源自动切换开关
时间:2011-08-08 来源:遵义尊时凯龙人生就博电器制造有限公司 浏览量:24313 作者:超级管理员
分享到:
上一篇:
CBQ30系列双电源自动切换开关
下一篇:
自复式过欠压保护器CBZF
企业介绍
企业简介
历史沿革
企业文化
领导致辞
荣誉资质
企业视频
公司动态
公司新闻
行业资讯
技术动态
视频新闻
产品展示
智能型万能式断路器
塑料外壳式断路器
自动切换装置
成套设备
真空断路器
其他分类
主要业绩
营销网络
人才招聘
联系尊时凯龙人生就博
在线留言
联系地址
联系尊时凯龙人生就博 / CONTACT US
联系电话:0851-28791820
联系邮箱:czdqzz@dyxianglong.net
联系地址:贵州省遵义市东南大道和平工业园区
友情链接
遵义尊时凯龙人生就博电器制造有限公司 备案号:
黔ICP备19003025号-1
贵公网安备 52032102000132号
技术支持:
智政科技
网站地图
|
法律声明
XML地图